Рейтинг@Mail.ru

САМОВЫВОЗ ОТСУТСВУЕТ. ТОЛЬКО ДОСТАВКА

ПН-ПТ 10:00-16:00
СБ-ВС выходные

Запчасти виброплиты Champion PC9045F -

Запчасти виброплиты Champion PC9045F
Запчасти виброплиты Champion PC9045F
Сортировка:
Всего найдено: 55
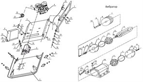
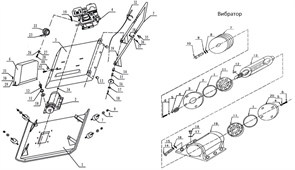
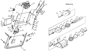
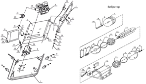
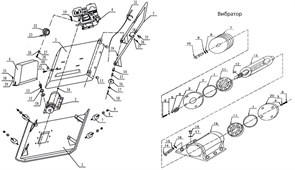
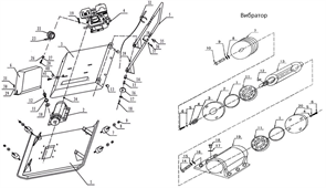
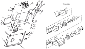
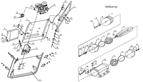
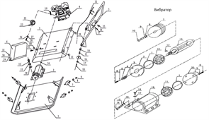
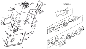
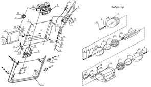
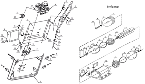
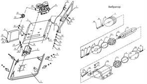
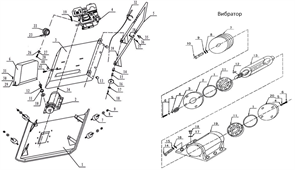
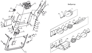
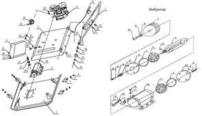
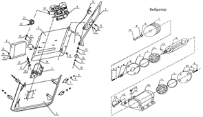
Амортизатор виброплиты Champion PC9045F (рис.7) PC9045F90007
4 041,23
руб.
Втулка виброплиты Champion PC9045F (рис.14) PC9045F90014
505,15
руб.
Болт M10*35 виброплиты Champion PC9045F (рис.36) PC9045F90036
103,14
руб.
Болт M10(доп. опция) виброплиты Champion PC9045F (рис.35) PC9045F90035
505,15
руб.
Заглушка виброплиты Champion PC9045F (рис.13) PC9045F90013
1 213,07
руб.
Вал вибратора вибратора виброплиты Champion PC9045F (рис.13) PC9045F90002-13
16 171,96
руб.
Вибратор комплект виброплиты Champion PC9045F (рис.2) PC9045F90002
72 779,70
руб.
Амортизатор виброплиты Champion PC9045F (рис.15) PC9045F90015
3 196,18
руб.
Гайка M10 виброплиты Champion PC9045F (рис.38) PC9045F90038
103,14
руб.
Корпус вибратора вибратора виброплиты Champion PC9045F (рис.19) PC9045F90002-19
28 305,04
руб.
Плита вибратора виброплиты Champion PC9045F (рис.1) PC9045F90001
70 757,91
руб.
Подшипник6309 вибратора виброплиты Champion PC9045F (рис.11) PC9045F90002-11
7 076,85
руб.
Ремень приводной виброплиты Champion PC9045F (рис.23) PC9045F90023
6 105,22
руб.
Рукоятка виброплиты Champion PC9045F (рис.5) PC9045F90005
16 171,96
руб.
Рычаг газа комплект виброплиты Champion PC9045F (рис.32) PC9045F90032
3 537,25
руб.
Сальник 50*35*10 вибратора виброплиты Champion PC9045F (рис.3) PC9045F90002-3
2 021,79
руб.
Шкив+сцепление виброплиты Champion PC9045F (рис.22) PC9045F90022
34 540,35
руб.
Шпонка 8*20 вибратора виброплиты Champion PC9045F (рис.12) PC9045F90002-12
103,14
руб.
Опора двигателя виброплиты Champion PC9045F (рис.3) PC9045F90003
Свяжитесь с нами насчет цены
двигатель виброплиты Champion PC9045F (рис.4) PC9045F90004
Свяжитесь с нами насчет цены
Кожух ремня виброплиты Champion PC9045F (рис.6) PC9045F90006
Свяжитесь с нами насчет цены
Шайба M12 виброплиты Champion PC9045F (рис.8) PC9045F90008
Свяжитесь с нами насчет цены
Гайка M12 виброплиты Champion PC9045F (рис.9) PC9045F90009
Свяжитесь с нами насчет цены
Шайба ?16 виброплиты Champion PC9045F (рис.10) PC9045F90010
Свяжитесь с нами насчет цены
Шайба ? 16 виброплиты Champion PC9045F (рис.11) PC9045F90011
Свяжитесь с нами насчет цены
Болт M16*40 виброплиты Champion PC9045F (рис.12) PC9045F90012
Свяжитесь с нами насчет цены
Шайба ? 12 виброплиты Champion PC9045F (рис.16) PC9045F90016
Свяжитесь с нами насчет цены
Шайба ? 12 виброплиты Champion PC9045F (рис.17) PC9045F90017
Свяжитесь с нами насчет цены
Болт M12*65 виброплиты Champion PC9045F (рис.18) PC9045F90018
Свяжитесь с нами насчет цены
Болт M8*40 виброплиты Champion PC9045F (рис.19) PC9045F90019
Свяжитесь с нами насчет цены
Шайба ? 8 виброплиты Champion PC9045F (рис.26) PC9045F90026
Свяжитесь с нами насчет цены
Шайба ? 8 виброплиты Champion PC9045F (рис.27) PC9045F90027
Свяжитесь с нами насчет цены
BoltM8 виброплиты Champion PC9045F (рис.28) PC9045F90028
Свяжитесь с нами насчет цены
Шайба ? 8 виброплиты Champion PC9045F (рис.29) PC9045F90029
Свяжитесь с нами насчет цены
Шайба ? 8 виброплиты Champion PC9045F (рис.30) PC9045F90030
Свяжитесь с нами насчет цены
Болт M8*20 виброплиты Champion PC9045F (рис.31) PC9045F90031
Свяжитесь с нами насчет цены
Шайба ? 10 виброплиты Champion PC9045F (рис.37) PC9045F90037
Свяжитесь с нами насчет цены
Гайка M12 виброплиты Champion PC9045F (рис.39) PC9045F90039
Свяжитесь с нами насчет цены
Заглушка виброплиты Champion PC9045F (рис.40) PC9045F90040
Свяжитесь с нами насчет цены
Болт M8*50 виброплиты Champion PC9045F (рис.41) PC9045F90041
Свяжитесь с нами насчет цены
Крышка подшипника вибратора виброплиты Champion PC9045F (рис.2) PC9045F90002-2
Свяжитесь с нами насчет цены
Шайба ? 8 вибратора виброплиты Champion PC9045F (рис.4) PC9045F90002-4
Свяжитесь с нами насчет цены
Шайба ? 8 вибратора виброплиты Champion PC9045F (рис.5) PC9045F90002-5
Свяжитесь с нами насчет цены
Болт M8*25 вибратора виброплиты Champion PC9045F (рис.6) PC9045F90002-6
Свяжитесь с нами насчет цены
Шкив вала вибратора вибратора виброплиты Champion PC9045F (рис.7) PC9045F90002-7
Свяжитесь с нами насчет цены
Шайба ? 10 вибратора виброплиты Champion PC9045F (рис.8) PC9045F90002-8
Свяжитесь с нами насчет цены
Шайба ? 10 вибратора виброплиты Champion PC9045F (рис.9) PC9045F90002-9
Свяжитесь с нами насчет цены
Запчасти виброплиты Champion PC9045F
Есть вопросы?
Мы готовы на них ответить!