Рейтинг@Mail.ru

САМОВЫВОЗ ОТСУТСВУЕТ. ТОЛЬКО ДОСТАВКА

ПН-ПТ 10:00-16:00
СБ-ВС выходные

Запчасти триммера Elitech Т750Р -

Запчасти триммера Elitech Т750Р
Запчасти триммера Elitech Т750Р
Сортировка:
Всего найдено: 14
6 001,47
руб.
4 249,89
руб.
5 502,86
руб.
2 212,42
руб.
4 855,22
руб.
2 535,55
руб.
1 545,03
руб.
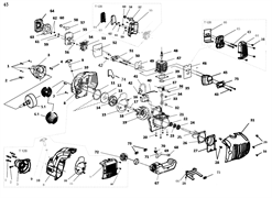
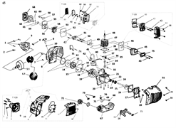
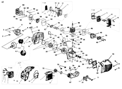
Карбюратор триммера Elitech Т750Р (рис. 53) 802014200
7 577,02
руб.
Глушитель триммера Elitech Т750Р (рис. 45) 802013400
4 249,89
руб.
Цилиндр триммера Elitech Т750Р (рис. 47) 802013600
5 502,87
руб.
Поршень триммера Elitech Т750Р (рис. 37) 802012800
2 212,42
руб.
Бак топливный триммера Elitech Т750Р (рис. 67) 802015300
4 855,20
руб.
Маховик триммера Elitech Т750Р (рис. 19) 802011100
2 535,56
руб.
Крышка топливного бака триммера Elitech Т750Р (рис. 72) 802015800
1 545,06
руб.
Запчасти триммера Elitech Т750Р
Есть вопросы?
Мы готовы на них ответить!