Рейтинг@Mail.ru

САМОВЫВОЗ ОТСУТСВУЕТ. ТОЛЬКО ДОСТАВКА

ПН-ПТ 10:00-16:00
СБ-ВС выходные

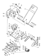
Запчасти для виброплиты Masalta MSR-90 -

Запчасти для виброплиты Masalta MSR-90
Запчасти для виброплиты Masalta MSR90
Сортировка:
Всего найдено: 16
5 245,30
руб.
6 144,08
руб.
41 503,68
руб.
18 712,46
руб.
2 433,79
руб.
2 920,19
руб.
3 925,15
руб.
4 767,89
руб.
41 721,63
руб.
10 774,97
руб.
5 608,55
руб.
126 196,50
руб.
3 651,58
руб.
6 393,16
руб.
84 958,53
руб.
Запчасти для виброплиты Masalta MSR90
Есть вопросы?
Мы готовы на них ответить!